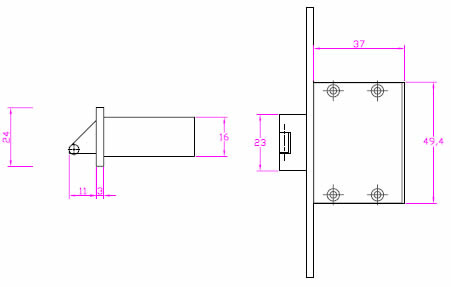
Snapper inbouw met Rollager op de schoot

OC-ID500 - Stedagroep Elektrische deuropeners
MPN: OC-ID500 EAN: DGE: 11583 Locatie: Merk: Stedagroep
Levertijd: 3 – 5 werkdagen
Uw prijs:
118,52 (97,95 excl. BTW)
  • Gratis verzending vanaf €50 excl. btw
  • Bestelling af te halen bij afhaalbalie in Schijndel
  • Montage service op aanvraag
  • Klantbeoordeling van 4,6/5
Productbeschrijving

OC-ID500 Snapper inbouw, zwaar model
– Verzwaarde uitvoering.
– Voorplaat uit 3mm RVS.
– Alle delen uit RVS muv dagschoot.
– Dagschoot voorzien van rollager.
– Dagschoot vervaardigd uit gereedschap staal.
– Past op alle elektrische deuropeners.

Productspecificaties
Inbouw
Met rollager
Zwaar model
Downloads

Geen downloads beschikbaar bij dit product.

[RESULT]
Snapper inbouw met Rollager op de schoot

OC-ID500