Kastslot 1256

9125602500 - Assa Abloy Insteeksloten
MPN: 100361015 EAN: 8713515012155 DGE: 137905 Locatie: W3-1 Merk: Assa Abloy
Op voorraad: 3
Op werkdagen vóór 14:00 besteld = vandaag nog verzonden
Slotvarianten
Uw prijs:
19,30 (15,95 excl. BTW)
  • Gratis verzending vanaf €50 excl. btw
  • Bestelling af te halen bij afhaalbalie in Schijndel
  • Montage service op aanvraag
  • Klantbeoordeling van 4,6/5
Productbeschrijving

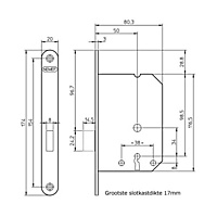
Nemef kastslot 1200 SERIE 1256/2-50 met klaviersleutel. Voorplaat staal gelakt met afgeronde voorplaat 20x174mm

Productspecificaties
Kastslot type 1256
2-50mm 2sl. aantal sleutels 2 stuks
Aantal sluitingen 5
Aantal toeren 1-toers
Afmeting voorplaat 174 x 20 mm
Downloads

Geen downloads beschikbaar bij dit product.

[RESULT]
Kastslot 1256

9125602500