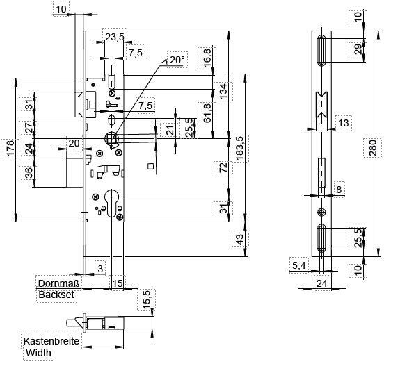
Wilka 1472 renovatie insteekslot met sleufgatsparing PC72

1472Slob - Wilka Insteeksloten
MPN: 1472.000105 EAN: DGE: 11285554 Locatie: Merk: Wilka
Levertijd: 3 – 10 werkdagen
Doornmaat
Uw prijs:
75,70 (62,56 excl. BTW)
  • Gratis verzending vanaf €50 excl. btw
  • Bestelling af te halen bij afhaalbalie in Schijndel
  • Montage service op aanvraag
  • Klantbeoordeling van 4,6/5
Productbeschrijving

Wilka 1472 renovatie insteekslot met slobgatsparing PC72mm. Het Wilka smaldeurslot 1472 met een speciale voorplaat voor vervanging en reparatie biedt flexibele toepassingsmogelijkheden. De voorplaat is voorzien van twee sleufgaten, waardoor bestaande montagegaten eenvoudig te vervangen en hergebruikt kunnen worden. Verkrijgbaar met vlakke voorplaat in diverse doornmaten beschikbaar. Links- en rechtsdraaiend toepasbaar
 

Productspecificaties
Vlakke voorplaat
Doornmaat 25 - 55mm
PC 72 mm hartafstand
RVS voorplaat
Beproefd WILKA modulair systeem
Intrekbare dagschoot
Din links en rechts toepasbaar
10 mm tuimelaar inclusief verloopbussen (10/9 mm en 10/8 mm)
20 mm nachtschootuitslag
Alternatief voor veel andere fabrikanten dankzij de kleinste kastmaat
Downloads

Gerelateerde producten

[RESULT]
Wilka 1472 renovatie insteekslot met sleufgatsparing PC72

1472Slob